立式管道排污泵——立式管道排污泵結構圖精選
一、立式管道排污泵產品概述
GW50-15-25-2.2立式管道排污泵是引進聯邦德GABS制泵公司先進技術,通過吸收、轉化研制而成,各項性能指標均達到GJ標準同類產品水平。 GW50-15-25-2.2立式管道排污泵采用獨特的單(雙)通道葉輪,排污能力強、能有效的通過泵口徑的5倍纖維物與直徑為泵口徑50%的固體顆粒,動密封采用兩組特殊材料的硬質合金機械密封裝置,材質為鑄鐵和不銹鋼。
GW50-15-25-2.2立式管道排污泵可做一般管道泵加壓送水,又可抽吸含有顆粒纖維、懸浮固體等雜質的液體雜質,為化工、紡織、制藥、環保等行業提供理想的輸送機械。
二、立式管道排污泵產品用途
①企業單位廢水排放;
②自來水公司的給水裝置;
③水利工程給水排水;
④住宅區的污水排水站;
⑤市政工程、建筑工地中稀泥漿的排放。
三、立式管道排污泵產品特點
①效率高,節能效果顯著,設計合理,配套電機合理;
②在使用揚程范圍內保證電機運行不過載;
③浮球開關可根據所需的水位變化,自動控制泵的停啟,無需專人看管;
④導軌自動耦合安裝系統,給泵的安裝、維修帶來了G大的方便,人可不必為此而進出污水坑;
⑤泵結構緊湊,體積小,移動方便,安裝簡便,無需建泵房,潛入水中即可工作,大大減少工程造價。
⑥機械密封采用雙端面串聯密封,材質為硬質耐腐碳化鎢,具有耐用、耐磨等特點,可以使泵安全連續運行8000小時以上。
四、立式管道排污泵產品型號意義

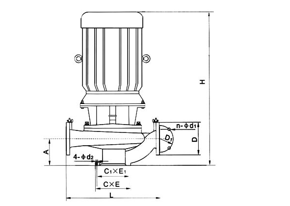
五、立式管道排污泵產品結構圖


本文標題: 立式管道排污泵——立式管道排污泵結構圖本文地址:http://m.comfort8889.com/service/505.html
技術服務
推薦產品

- ISG立式管道離心泵
上海沈泉泵閥制造有限公司為您提供:ISG立式管道離心泵的性能參數表,安裝尺

- ISW臥式管道離心泵
上海沈泉泵閥制造有限公司為您提供:ISW臥式管道離心泵的性能參數表,安裝尺

- SPG立式屏蔽管道離心泵
上海沈泉泵閥制造有限公司為您提供:SPG屏蔽管道離心泵的性能參數表,安裝尺

- CQB-L磁力立式管道離心泵
上海沈泉泵閥制造有限公司為您提供:CQB-L磁力管道離心泵的性能參數表,安裝





